
- 产品简介
- 产品性能
- 应用范围
施乐百的离心风机,轴流风机,横流/贯流风机应用广,无论是汽车技术,通风和排气,设备冷却技术,制冷和空调技术,农业工程,机械和设备技术,还是无尘室和医疗技术,深海技术,工艺空气,建筑工程,升降机技术,热力工程,可再生资源等,施乐百风机都发挥了巨大的作用。
德国ziehl-abegg FN080-SDS.6N.V7 138757 风机实拍图

北京恒瑞宏晟机电设备有限公司经营离心风机、轴流风扇、贯流风扇、变频器风扇数十年,产品汇聚世界风机风扇品牌,长期供应德国ziehl-abegg(施乐百)风机,型号齐全,大量现货,全新原装,欢迎垂询!
德国ziehl-abegg FN080-SDS.6N.V7 138757 空调制冷风扇
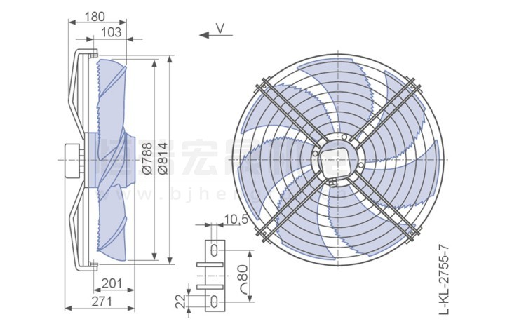
类型 轴流风扇
品牌 ziehl-abegg
型号 FN080-SDS.6N.V7 138757
电压 400(V)
功率 1800(W)
转速 900(r/min)
风量 25300(m³/h)
尺寸 800(MM)
德国ziehl-abegg FN080-SDS.6N.V7 138757 风机结构风量图



北京恒瑞宏晟机电设备有限公司经营离心风机、轴流风扇、贯流风扇、变频器风扇数十年,产品汇聚世界风机风扇品牌,长期供应德国ziehl-abegg(施乐百)风机,型号齐全,大量现货,全新原装,欢迎垂询!
施乐百 ziehl-abegg风机 FN080-SDS.6N.V7 138757 散热风扇
北京恒瑞宏晟机电设备有限公司是一家从事风机及工控产品销售的企业,主要提供通风散热产品和工控系统配件,产品广泛应用于通风、空调、制冷、供暖、电气自动化、变频器、轨道交通、HVAC(FFU/AHU)、空气净化、风电发电、工业医疗、新能源汽车等多个行业。
风机问题在线解答:
FC035-4DQ.2C.A7 125090
FC035-4EQ.2C.A7 130768
FC035-4ET.2C.A7 130769
FC040-4DD.4C.A7 134017
FC040-4DQ.2F.A7 125094
FC040-4ED.4C.A7 141036
FC040-4EQ.4C.A7 141073
FC040-4EQ.4C.A7 141070
FC040-4ET.4C.A7 141138
FC045-4DD.4C.A7 153408
FC045-4DQ.4C.A7 125158
FC045-4DQ.4C.A7 141181
FC045-4DT.4C.A7 130789
FC045-4ED.4F.A7 140750
FC045-4EQ.4C.A7 125166
FC045-4EQ.4F.A7 141178
FC045-4EQ.4F.A7 141071
FC045-4ET.4F.A7 130773
FC050-4DD.4F.A7 134018
FC050-4DQ.4F.A7 160704
FC050-4DQ.4F.A7 141184
FC056-4DQ.6F.A7 180008
FC056-4DT.6F.A7 183459
FC056-VDQ.6F.V7 160094
FC063-4DQ.6K.A7 125205
FC063-4DQ.6K.A7 170079
FC063-4DT.6K.A7 141346
FC063-4EQ.6N.A7 132113
FC063-VDQ.6K.V7 123995
FC071-4DQ.6N.A7 171760
FC071-4DT.6N.A7 177725
FC071-6DQ.6K.A7 130796
FC071-6DT.6K.A7 141131
FC071-6EQ.6K.A7 130780
FC071-6ET.6K.A7 141945
FC071-VDQ.6N.V7 132521
FC080-6DQ.6K.A7 130798
FC080-6DT.6K.A7 141202
FC080-6EQ.6N.V7 162190
FC080-SDQ.6K.V7 132888
FC080-VDQ.7Q.V4 152886
FC091-6DQ.7Q.A7 140570
FC091-6DT.7Q.A7 141348
FC091-SDQ.7Q.V7 124407
FC091-SDS.7Q.V7 107146
FC100-ADS.7Q.V7 107151
FC125-ADT.8S.V7 131159
FC125-MDT.7Q.A7 140500
FF071-6DQ.6F.A3 169731
FF091-6EQ.6F.A3 159996
FN030-4EQ.WA.A7 153671
FN080-SDS.6N.V7 138757
北京恒瑞宏晟机电设备有限公司专业提供变频器、轨道交通、空气净化、新能源汽车等领域的通风散热制冷配件,风机型号齐全,全新原装,现货库存,期待您咨询采购!









